Descrizione
SCHEDA TECNICA
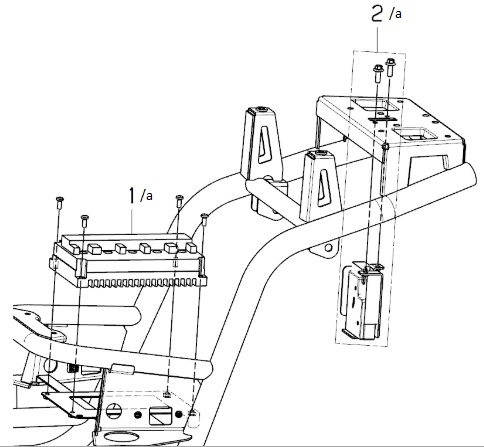
1. Set Blocchetti Di Chiusura
1/a. Unità Di Controllo Del Motore FOC
2. Sistema Di Allarme Incluso Telecomando
2/a. Serratura
3. Convertitore Di Potenza
4. Avvisatore Acustico
5. Centralina ECU
6. Cablaggio N-GT
7.Unità Di Controllo Illuminazione
8. Valvola Di Controllo CBS












